| Part Number | Download | Circuit | Status | Type | Process |
ESDYes/No |
VDSV |
VGSV |
IDA |
VGS(TH)V |
RDS(mΩ)@VGS10V Typ |
RDS(mΩ)@VGS10V Max |
RDS(mΩ)@VGS4.5V Typ |
RDS(mΩ)@VGS4.5V Max |
Package |
|
|
|
|
|
|
|
|
|
|
|
|
|
|
|
||
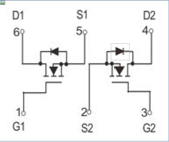
| CJQ4822 |
![]() |
![]() |
Active |
Dual-N |
Trench |
No |
30 |
±20 |
8.5 |
1~3 |
11 |
16 |
13 |
26 |
SOP8 |
|
CJ4612SP |
![]() |
![]() |
Active |
Dual-N |
Trench |
Yes |
22 |
±12 |
6 |
0.5~1.3 |
- |
- |
30 |
36 |
CSPB1313-4 |
|
CJ4616SP |
![]() |
![]() |
Active |
Dual-N |
Trench |
Yes |
15 |
±12 |
8 |
0.5~1.3 |
- |
- |
14 |
18 |
CSPB1515-4 |
| UM6K1N |
![]() |
![]() |
Active |
Dual-N |
Trench |
Yes |
30 |
±20 |
0.1 |
0.8~1.5 |
- |
- |
4000 |
8000 |
SOT-363 |
| CJL2322 |
![]() |
![]() |
Active |
Dual-N |
Trench |
No |
20 |
±12 |
4 |
0.4~1 |
- |
- |
22 |
30 |
SOT-23-6L |
| CJL2311 |
![]() |
![]() |
Active |
N/P-ch |
Trench Trench |
No No |
20 -20 |
±12 ±8 |
4 -2.3 |
0.4~1 -0.4~-1 |
- - |
- - |
22 75 |
30 90 |
SOT-23-6L |
| CJL2013 |
![]() |
![]() |
Active |
Dual-N |
Trench |
No |
20 |
±10 |
6 |
0.5~1 |
- |
- |
12.2 |
14 |
SOT-23-6L |
| CJAC0610 |
![]() |
![]() |
Active |
N/P-ch |
Trench Trench |
Yes Yes |
100 -100 |
±20 ±20 |
10 -6.0 |
1~2.5 -1~-2.5 |
85 150 |
100 210 |
110 160 |
160 220 |
PDFNWB5x6-8L-A |
| CJND2004 |
![]() |
![]() |
Active |
Dual-N |
Trench |
Yes |
20 |
±12 |
10 |
0.4~1 |
- |
- |
8 |
10.5 |
DFNWB5x2-6L |
|
CJ6207SP |
![]() |
![]() |
Active |
Dual-N |
Trench |
Yes |
12 |
±8 |
8.5 |
0.4~1.4 |
- |
- |
4 |
6.4 |
CSPB2213-6 |
|
CJ8218SP |
![]() |
![]() |
Active |
Dual-N |
Trench |
Yes |
12 |
±8 |
13.5 |
0.35~1.4 |
- |
- |
2.2 |
2.9 |
CSPC2019-10 |
|
CJ8208SP-A |
![]() |
![]() |
Active |
Dual-N |
Trench |
Yes |
12 |
±8 |
14 |
0.35~1.4 |
- |
- |
2.1 |
2.8 |
CSPC3015-10 |
| CJAB2003 |
![]() |
![]() |
Active |
N/P-ch |
Trench Trench |
No No |
30 -30 |
±20 ±20 |
30 -20 |
1~2.5 -1~-2.5 |
10 26 |
13 34 |
17 40 |
22 52 |
PDFNWB3.3x3.3-8L-B |
| CJQ6601 |
![]() |
![]() |
Active |
N/P-ch |
Trench Trench |
No No |
30 -30 |
±12 ±12 |
5.8 -4.2 |
0.7~1.4 -0.7~-1.3 |
19 - |
35 65 |
21 - |
40 75 |
SOP8 |
| CJQ4606 |
![]() |
![]() |
Active |
N/P-ch |
Trench Trench |
No No |
30 -30 |
±20 ±20 |
6.9 -6 |
1~3 -1~-3 |
19 29 |
28 36 |
28 47 |
42 55 |
SOP8 |
| CJL6602 |
![]() |
![]() |
Active |
N/P-ch |
Trench Trench |
No No |
30 -30 |
±12 ±12 |
3.4 -2.3 |
0.6~1.4 -0.6~-1.4 |
45 75 |
60 135 |
50 95 |
75 185 |
SOT-23-6L |
| CJX3439K |
![]() |
![]() |
Active |
N/P-ch |
Trench Trench |
Yes Yes |
20 -20 |
±12 ±12 |
0.75 -0.66 |
0.35~1.1 -0.35~-1.1 |
- - |
- - |
- 270 |
380 520 |
SOT-563 |
| CJCD2007 |
![]() |
![]() |
Active |
Dual-N |
Trench |
Yes |
20 |
±12 |
8 |
0.4~1 |
- |
- |
12.5 |
15 |
DFNWB2x3-6L |
| CJCD2005 |
![]() |
![]() |
Active |
Dual-N |
Trench |
Yes |
20 |
±12 |
8 |
0.4~1 |
- |
- |
9 |
12 |
DFNWB2x3-6L |
| CJCD2004 |
![]() |
![]() |
Active |
Dual-N |
Trench |
Yes |
20 |
±12 |
10 |
0.4~1 |
- |
- |
7.3 |
9 |
DFNWB2x3-6L |